+86-0523-83274900
Storzアダプターカップリング - 男性マチノ
/ 製品 / アダプター / Storzアダプターカップリング - 男性マチノ

Storzアダプターカップリング - 男性マチノ

アダプターのカップリングは、さまざまな標準とフィッティングの種類を接続または変換するために使用されます。それ以外の場合は、互換性のないインターフェイスをシームレスに互いに接続できます。

アダプターのカップリングには含まれますが、これらに限定されません。 ドイツ語からStorz(男性/女性)、ドイツ語から森林、ドイツからドイツ語のセルフロック、ドイツ語からフランジ、ドイツ語からマルチツーり、StorzからStorzの女性、Storzから林業など。
すべてのタイプのアダプターカップリングは、リクエストに応じてカスタマイズできます。

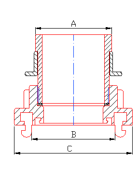
寸法 リソース

アイテム番号

din/mm

dia

A/mm

b/mm

C/mm

/

25/40

1 "/1.5"

29

53

82

25/50

1 "/2"

29

66

98

25/65

1 "/2.5"

29

76

110

25/80

1 "/3"

29

89

126

40/40

1.5 "/1.5"

43.6

53

82

40/50

1.5 "/2"

43.6

66

98

40/65

1.5 "/2.5"

43.6

76

110

40/80

1.5 "/3"

43.6

89

126

50/50

2 "/2"

55.6

66

98

50/65

2 "/2.5"

55.6

76

110

50/80

2 "/3"

55.6

89

126

65/65

2.5 "/2.5"

68.5

76

110

65/80

2.5 "/3"

68.5

89

126

80/80

3 "/3"

81.5

89

126

*材料と製造プロセスは、リクエストに応じてカスタマイズできます。
*その他の要件(作業圧力、バースト圧力など)も必要に応じてカスタマイズできます。

江蘇省の波打ち 防火技術株式会社
Jiangsu Su Xinghua経済開発ゾーンにあるJiangsu Jinding Fire Protection Technology Co.、Ltd。は、1998年に設立されました。設計、開発、生産、販売を統合する産業企業です。同社はISO9001:2015の品質システム認定と製品自発的認定を可決し、関連製品は国立消防機器品質監督および検査センターの検査報告書を入手しました。
当社は主に消防用カップリング、放水ノズル、消火栓、大口径配管用カップリング、油田給水用カップリングなど、様々なシリーズ製品を製造しており、これらの製品は消防、石油、化学、軍事などの業界で広く利用されています。
同社は優れた独立したR&D機能を備えており、金型の製造、生産処理、製品テストなどの完全な生産プロセスセットがあります。同時に、エンタープライズは顧客の要件を重要視し、市場のダイナミクスをタイムリーに把握し、新製品を継続的に開発および生産し、新規および古い顧客の信頼と賞賛を獲得します。
同社は信頼できる Storzアダプターカップリング - 男性マチノ 品質へのこだわりと協力的なパートナーシップに基づいた専門的なサービスを提供し、クライアントとの持続可能な協力関係の構築に努めます。
27+

27年の産業 製造体験

証明書
ニュース
  • の範囲 ストレートストリームノズル は主に、動作圧力、ノズル構造の設計、噴霧媒体の特性、動作環境などの要因の組み合わせによって影響を受けます。実際の用途では、ストレート ストリーム ノズルのスプレー性能を最大限に活用し、より長く安定した射程を達成するには、これらの要素を適切に選択してマッチングすることが重要です。 スト...
  • 設置時の主な安全上の注意事項 消防ホース継手 これには、カップリングがホースの仕様と一致していることを確認し、シールを厳密にチェックし、水圧の適合性を確認し、正しい操作手順に従うことが含まれます。正しく設置することで、緊急時に防火システムが安定して作動するだけでなく、消防ホースや継手の耐用年数が長くなり、誤作動による漏水や事故を防ぐことが...
  • 消防分野では、 火災コネクタ 流体移送から電子信号モニタリングまで、さまざまな重要なコンポーネントが含まれます。主なタイプには次のものがあります。 消防ホースを水源に素早く接続するためのホース継手。自動スプリンクラー システムのパイプを接続するための溝付きコネクター。電気信号火災コネクタは、最新のスマート防火システムに不可欠です。これらの...
  • 正しい選択 町野カップリング 伝送パラメータ、動作条件、およびパフォーマンス要件を体系的に評価する必要があります。そして、最適なマチノカップリング製品シリーズをマッチングします。産業用トランスミッションの中核コンポーネントとして、適切に選択することで、効率的で安定した装置の動作が保証されるだけでなく、精度、信頼性、寿命の点でマシノ精密カッ...
会話しましょう
こんにちはと言うだけで、実り多いコラボレーションを開始します。あなた自身のサクセスストーリーを始めてください。
あなたのビジネスのために機器が必要ですか?
私たちのチームにカスタムソリューションを提供させてください。