+86-0523-83274900
Storzロックスレッドカップリング

Storzロックスレッドカップリング

Storz Locking Threaded Couplingは、Storzカップリングシリーズに属し、一方の端が機能します。 内部または外部スレッド ともう一方の端に Storzロックカップリング。
このカップリングは使用されます 消防ホースと消防機器を接続します (消火ポンプ、火災ホース、消火栓など)。
このシリーズは主に大規模なサイズで利用できますが、リクエストに応じてより小さなサイズをカスタマイズできます。

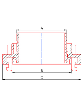
寸法 リソース

アイテム番号

din/mm

dia

A/mm

b/mm

C/mm

/

100

4 "

M100*3

115

156

125

5 "

M125*3

148

196

150

6 "

M145*3

160

215

200

8 "

M200*4

220

280

250

10 "

M255*4

278

339

300(3teeth)

12 "

M290*4

316

384

350

14 "

M350*4

336

448

*材料と製造プロセスは、リクエストに応じてカスタマイズできます。
*その他の要件(作業圧力、バースト圧力など)も必要に応じてカスタマイズできます。

江蘇省の波打ち 防火技術株式会社
Jiangsu Su Xinghua経済開発ゾーンにあるJiangsu Jinding Fire Protection Technology Co.、Ltd。は、1998年に設立されました。設計、開発、生産、販売を統合する産業企業です。同社はISO9001:2015の品質システム認定と製品自発的認定を可決し、関連製品は国立消防機器品質監督および検査センターの検査報告書を入手しました。
当社は主に消防用カップリング、放水ノズル、消火栓、大口径配管用カップリング、油田給水用カップリングなど、様々なシリーズ製品を製造しており、これらの製品は消防、石油、化学、軍事などの業界で広く利用されています。
同社は優れた独立したR&D機能を備えており、金型の製造、生産処理、製品テストなどの完全な生産プロセスセットがあります。同時に、エンタープライズは顧客の要件を重要視し、市場のダイナミクスをタイムリーに把握し、新製品を継続的に開発および生産し、新規および古い顧客の信頼と賞賛を獲得します。
同社は信頼できる Storzロックスレッドカップリング 品質へのこだわりと協力的なパートナーシップに基づいた専門的なサービスを提供し、クライアントとの持続可能な協力関係の構築に努めます。
27+

27年の産業 製造体験

証明書
ニュース
  • の範囲 ストレートストリームノズル は主に、動作圧力、ノズル構造の設計、噴霧媒体の特性、動作環境などの要因の組み合わせによって影響を受けます。実際の用途では、ストレート ストリーム ノズルのスプレー性能を最大限に活用し、より長く安定した射程を達成するには、これらの要素を適切に選択してマッチングすることが重要です。 スト...
  • 設置時の主な安全上の注意事項 消防ホース継手 これには、カップリングがホースの仕様と一致していることを確認し、シールを厳密にチェックし、水圧の適合性を確認し、正しい操作手順に従うことが含まれます。正しく設置することで、緊急時に防火システムが安定して作動するだけでなく、消防ホースや継手の耐用年数が長くなり、誤作動による漏水や事故を防ぐことが...
  • 消防分野では、 火災コネクタ 流体移送から電子信号モニタリングまで、さまざまな重要なコンポーネントが含まれます。主なタイプには次のものがあります。 消防ホースを水源に素早く接続するためのホース継手。自動スプリンクラー システムのパイプを接続するための溝付きコネクター。電気信号火災コネクタは、最新のスマート防火システムに不可欠です。これらの...
  • 正しい選択 町野カップリング 伝送パラメータ、動作条件、およびパフォーマンス要件を体系的に評価する必要があります。そして、最適なマチノカップリング製品シリーズをマッチングします。産業用トランスミッションの中核コンポーネントとして、適切に選択することで、効率的で安定した装置の動作が保証されるだけでなく、精度、信頼性、寿命の点でマシノ精密カッ...
会話しましょう
こんにちはと言うだけで、実り多いコラボレーションを開始します。あなた自身のサクセスストーリーを始めてください。
あなたのビジネスのために機器が必要ですか?
私たちのチームにカスタムソリューションを提供させてください。